Description
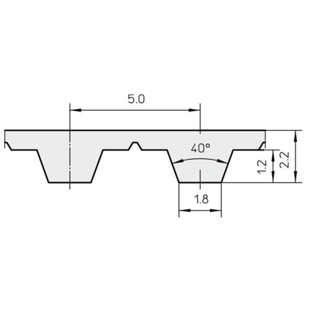
Winproflex Truly endless timing belt has trapezoidal tooth shape and a pitch of 5mm.
| Parameter | Specification |
|---|---|
| Timing Belt Material | Steel cord / Kevlar cord |
| Tolerance in Width | ± 0.5 mm |
| Tolerance in Length | ± 0.8 mm |
| Minimum Pulley Diameter | 15.05 mm |
| Minimum Counter-Flex Diameter | 30.00 mm |




