Description
PU Timing Belt HTD 14M – Heavy-Duty High Torque Belt
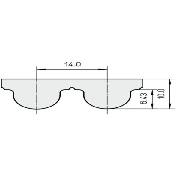
| Parameter | Specification |
|---|---|
| Timing Belt Material | Steel / Kevlar cord |
| Tolerance in Width | ± 0.5 mm |
| Tolerance in Length | ± 0.8 mm/m |
| Minimum Pulley Diameter | 108.70 mm |
| Minimum Counter-Flex Diameter | 120 mm |
For heavy-duty industrial applications, the PU Timing Belt HTD 14M is a high-performance belt made for HTD (High Torque Drive) systems. Because it is made of high-quality polyurethane, it guarantees optimal strength, longevity, and effective power transfer under harsh conditions.
Advantages of PU Timing Belt HTD 14M
The PU Timing Belt HTD 14M is designed to precisely manage large loads and strong torque. Among the main benefits are:
High capacity for torque transmission
Outstanding resistance to chemicals, grease, abrasion, and wear
Decreased slippage for reliable performance
Minimal vibration and noise while in use
Long lifespan with little upkeep
It is perfect for sectors that need dependable and potent performance because of these capabilities.
Applications of PU Timing Belt HTD 14M
The HTD 14M timing belt is frequently utilized in:
Heavy Industrial Machinery: Large-scale machinery, mixers, and crushers
Conveyors and bulk transport systems are examples of material handling systems.
Automation and Packaging: High-load coordinated operations
Continuous high-speed production lines in the textile and processing industries
Applications for high torque drives in engineering and automotive
Key Features of PU Timing Belt HTD 14M
High torque transmission and minimal backlash are the goals of the HTD Tooth Profile.
High-Strength PU Material: Able to withstand abrasion, oil, and challenging conditions
For increased tensile strength, reinforced cords might be made of steel or Kevlar.
Energy-efficient: Enhances machine performance and reduces power loss
Temperature Resistance: Fit for harsh industrial settings




